
Table of Contents
Grundverkabelung der Anlage
Übersichtszeichnungen
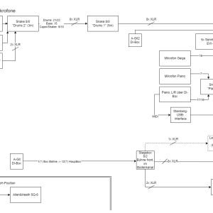
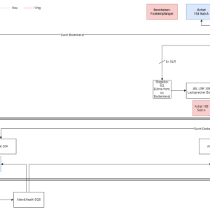
Hier sind einige Übersichtszeichnungen zur aktuellen Verkabelung (schematisch) sowie Überlegungen für die Zukunft. Die Bilder sind in Draw.io erstellt und enthalten die Quelldatei. Dadurch können sie zum Bearbeiten geöffnet werden - danach müssen sie erneut als PNG exportiert werden: Rahmenbreite 10, Größe “Diagramm”, “Kopie meines Diagramms einfügen”1)
Notizen zu den Übersichtszeichnungen
In den Schematischen Darstellungen sind die einzelnen Elemente sind grob in einer Draufsicht der Bühne platziert. “FOH-Position” meint die Technik-Ecke.
- Verkabelung von Mikrofonen und Instrumenten
- Verkabelung von Lautsprechern/Monitoren sowie Pult und Technik-PC.
- Überlegungen, einen weiteren 12“-Subwoofer anzuschaffen, damit sie gemeinsam weniger Laut und “angestrengt” sein können.
Ob es wirklich einen nützlichen Effekt hat, die Top-Teile direkt mit einem stärkeren Verstärker anstatt wie bisher am 8”-Subwoofer zu betreiben, will ich vorher mal testen. Eigentlich bietet der 8“-Subwoofer nicht genug Leistung für die Lautsprecher, ich weiß aber nicht, ob sich das merklich auf den Klang auswirkt, wenn die Lautstärke nicht in irgendeinen Grenzbereich kommt.
Es sollen auch ehemalige Monitore als so genannte “Fills”/“Delay Line” eingesetzt werden.
Multicore
Zwischen Bühne und Mischpult ist ein Multicore-Kabel verlegt, welches bis zu 24 Signale von der Bühne zum Pult und bis zu 8 Signale in Gegenrichtung transportiert. Die Kanalbezeichnungen (1-24, A-F) an der Stagebox auf der Bühne stehen jeweils oberhalb der Buchse.
Lautsprecher/PA
Drei der “Rückkanäle” des Multicore werden für die Verbindung vom Pult zu den “normalen” Lautsprechern und dem separaten Subwoofer verwendet. Der Subwoofer bekommt einen Mono-Mix der Tiefbass-Anteile, alles über ca. 80-120Hz wird zur 2.1-Anlage geschickt, wo sich widerum ein kleinerer Subwoofer sich selbst um die tieferen Anteile kümmert und über den integrierten Verstärker die höheren Anteile an die Top-Teile sendet.
DSP
Es gibt einen 4×4-DSP, der als EQ, Delay, Frequenzweiche etc. arbeiten kann. Wird er zur Konfiguration per USB-Kabel an einem Windows-Rechner angeschlossen, kann man mit einem Programm Einstellungen vornehmen. Hier die Produktseite bei Thomann mit Anleitung und Programmdownload: https://www.thomann.de/de/the_t.racks_dsp_4x4_mini.htm
Der Plan ist, den DSP als Frequenzweiche und Mono-Downmixer zu verwenden: Der Subwoofer-Anteil wird direkt vom DSP zum Sub geschickt, der Rest wird ins Mischpult zurück geschickt, um über Matrix-Mixe (per Mix-Direct-In) auf die Lautsprecher verteilt zu werden.
Kopfhörerverstärker
Mono-Verstärker
- wird für Drummer verwendet
- hat XLR-Eingang, hoffentlich Balanced/Symmetrisch.
Stereo-Verstärker
- Reserve. Der IEM-Mix aus dem Mischpult ist allerdings “Post-Processing” und so nicht besonders geeignet für Sänger. Kann aber für Musiker verwendet werden.
- hat XLR-Eingänge, hoffentlich Balanced/Symmetrisch.
Weitere Lautsprecher
Fill-Lautsprecher
2x the box pro Achat 104 A von Thomann dient als Fill-Lautsprecher. Sollen tendentiell in der hinteren Traverse aufgehängt werden .
Bühnenlautsprecher
Ein “JBL LSR 305”-Monitor auf der Bühne, um PC-Playback und optional auch den MainLR-Mix hören zu können.





